聯系我們
- 聯系人:郭經理
- 傳真:010-69552656
- 電話:400-0346-119
- 電話:010-57113119
- 郵箱:506665119@qq.com
- 地址:北京通州區新華北路117號
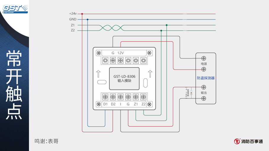
海灣8306模塊與防盜探測器的接法
來源:消防維修 時間:2019-01-19 13:44:55




1、模塊輸入端如果設置為“常開檢線”狀態輸入,模塊輸入線末端(遠離模塊端)必須并聯一個4.7KΩ的終端電阻。
2、模塊輸入端如果設置為“常閉檢線”狀態輸入模塊輸入線末端(遠離模塊端)必須串聯一個4.7KΩ的終端電阻。

GST-LD-8306模塊與火災報警控制器采用二總線連接,另需二根DC24V電源線,與各類防盜探測器要用四根線連接,一根DC12V,一根地線,二根防盜探測器動作信號線(常開或常閉動作輸出)。


1、信號總線Z1、Z2采用阻燃RVS雙絞線,截面積≥1.0mm²。
2、電源線D1、D2采用阻燃BV線,截面積≥1.5mm²。
3、G、I、12V采用截面積≥1.0mm²的RV線。

